10A減速電機
12F/A減速電機
13F減速電機
異形減速電機
16A減速電機
20A減速電機
25A減速電機
28A減速電機
32A減速電機
37B減速電機
32F減速電機
38F減速電機
42F2減速電機
38L減速電機
27F減速電機
42F減速電機
47Y減速電機
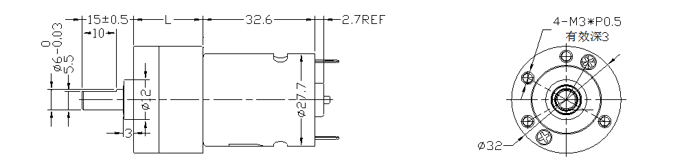
GM-32A360減速馬達
典型用途(Typical Applications)
1.工業(yè)自動化(Industrial automation)
2.家居智能化(Intelligent household)

型號 | 電壓(V DC) | 空載電流(A) | 空載轉(zhuǎn)速 (rpm) | 額定負載 (g.cm) | 額定電流 (A) | 額定轉(zhuǎn)速 (rpm) |
RS-360SH-16235 | 12.0 | 0.15 | 7300 | 63.0 | 0.54 | 5704 |
型號 | 電壓(V DC) | 減速比 | 5.8 | 17.3 | 31.3 | 51.8 | 105 | 155 | 278 | 465 |
箱體長L(mm) | 15 | 17.7 | 20.4 | 20.4 | 23.1 | 23.1 | 25.8 | 25.8 | ||
GM-32A360-16235 | 12.0 | 額定負載(kg.cm) | 0.3 | 0.8 | 1.2 | 2 | 3 | 3 | 4 | 4 |
額定轉(zhuǎn)速(rpm) | 960 | 322 | 182 | 110 | 56.7 | 40.9 | 23.3 | 14.5 | ||
堵轉(zhuǎn)力矩(kg.cm) | 1.4 | 3.6 | 5.9 | 9.8 | 17.8 | 26.4 | 42.6 | 71.2 |

